中文天堂av,久久久久亚洲国产,精品1区2区,国产亚洲99天堂一区,老外黄色一级片,av成人资源网站,五月久久综合蜜桃一区

湖北五岳傳感器有限公司是中國高溫熔體壓力傳感器的誕生公司 致力于高溫熔體壓力傳感器,高溫熔體壓力變送器,智能壓力數顯儀表的生產研發,20年品質保證

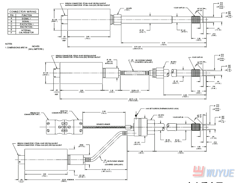
TPT463XL高溫熔體壓力傳感器 (high temperature melt pressure sensor)

 

產品名稱

TPT463XL高溫熔體壓力傳感器 (high temperature melt pressure sensor)

 

特征與用途

特性: ★ 裝有J型熱電耦,可以同點測量溫度 ★ 熱電耦可以在現場拆卸和更換 ★ 具有柔性管,可使應變片外殼遠離高溫區 ★ 熱電阻和其他類型熱電耦可以選配 ★ 其他特性與PT460XL相同 TPT463XL高溫熔體壓力傳感器 (high temperature melt pressure sensor)

技術參數

湖北五岳傳感器有限公司官網

鄂公網安備 42090202000255號

鄂ICP備09015572號